Емкостно-частотный сигнализатор уровня Baumer CleverLevel LBFH
• Для гигиенического применения
• 2 независимых настраиваемых выходных сигнала PNP/NPN
• Настройка в режиме самообучения без программатора и ПО
• Индикация состояния светодиодом RGB
Цена: по запросу
Заводская табличка
| Версия | Тип датчика |
| Matr. | Каталожный номер |
| In | Входное напряжение и потребление тока |
| Out | PNP, NPN, цифровой, индивидуальный заказ Максимальная внешняя нагрузка |
| Tamb | Температура окружающей среды |
| S/N | Серийный номер |
| Date | Дата изготовления |
![]() |
Не выбрасывайте изделие вместе с бытовыми отходами |
| Соответствие директивам ЕС | |
![]() |
Допуски, индивидуальный заказ |
Использование по назначению
Датчик разрешено использовать только для определения уровня жидкостей и твердых веществ с диэлектрическим коэффициентом минимум 1,5. Датчик следует использовать только со средами, к воздействию которых устойчивы материал корпуса и наконечник датчика.
Технические характеристики
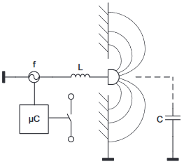
Конструкция и принцип действия
![]() |
1 | Наконечник датчика |
| 2 | Светодиодный индикатор | |
| 3 | Коннектор со штекером M12 | |
| 4 | Детектор qTeach |
Электрод, встроенный в наконечник датчика, вместе с окружающей средой образовывает конденсатор. Значение емкости определяется в зависимости от диэлектрического коэффициента (ДК) среды. Вместе с катушкой в электронном модуле датчика образовывается резонансный контур. В зависимости от измеренной резонансной частоты и программируемых порогов срабатывания активируется переключающий сигнал.
Монтаж
Датчик можно установить на емкости в любом положении.
![]() |
1 | Защита от переполнения |
| 2 | Макс. уровень | |
| 3 | Мин. уровень | |
| 4 | Защита от сухого хода |
Датчик, установленный вверху (1), предотвращает переполнение емкости. Установленные немного ниже датчики фиксируют максимальный (2) и минимальный (3) уровень. Датчик, установленный в самом низу или на сливной трубе (4), предотвращает работу насоса на сухом ходу.
Подключение к электросети
Разводка контактов
| Бренд |
|---|









