Датчик бесконтактный индуктивный щелевой ВБИ-Щ06-600У-1111-С
Цена: по запросу
Отправьте заявку
0
людей смотрят этот товар прямо сейчас
Характеристики
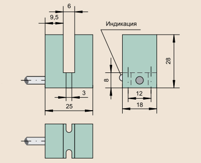
| Наименование | ВБИ-Щ06-600У-1111-С |
| Sn. Номинальное расстояние срабатывания | 6 мм |
| Гарантированный интервал срабатывания | 0-4,9 мм |
| Тип корпуса | Щелевой корпус |
| Размер корпуса | 18х25х28 |
| Установка в металл | Щелевой корпус |
| Степень защиты корпуса | IP67 |
| Способ подключения | Кабель |
| Подключение | Кабель 2 м (ПВС ХЛ 3х0,35 мм2) |
| Диапазон рабочих напряжений | 10-30 В DC |
| Номинальный ток | 500 мА |
| Схема выхода | PNP общий (-) |
| Функция выхода | НО замыкающий |
| Частота переключения | 1000 Гц |
| Падение напряжения | не более 2 В |
| Остаточный ток | менее 0,01 мА |
| Категория применения коммутационного элемента | DC13 |
| Защита коммутационного элемента | Тактовая |
| Индикация срабатывания | есть |
| Модификация | Щель 6 мм |
| Температура окружающей среды | -45…+80ºС |
| Материал корпуса | Армамид |
| Материал чувствительного элемента | Армамид |
| Габариты корпуса (разм ЧЭ х длина) | 18х25х28 |
| Максимальная масса изделия | 0,076 Кг |
| Примечание | Данное изделие может быть поставлено и с длиной кабеля 3, 5 или 7 метров. |
| Бренд |
|---|
