БТ-51.220, Термометры коррозионностойкие с возможностью гидрозаполнения силиконом (осевое присоединение)
Тип БТ, серия 220. Коррозионностойкий термометр с осевым присоединением предназначен для измерения температуры агрессивных жидкостей и газов.
Цена: по запросу
Принцип действия термометров БТ основан на зависимости деформации чувствительного элемента от измеряемой температуры. В качестве чувствительного элемента используется биметаллическая пружина. Биметаллическая пружина изготавливается из двух прочно соединенных металлических пластин, имеющих различные температурные коэффициенты линейного расширения. При изменении температуры пружина изгибается и вращает стрелку термометра. Один конец пружины закреплен внутри штока, а к другому присоединяется ось стрелки.
Корпус и шток коррозионностойкого термометра изготовлены из нержавеющей стали. Возможна комплектация термометра гильзой из нержавеющей стали.
Прибор поставляется «сухой» (готовый к гидрозаполнению) или заполненный силиконом по требованию заказчика.
Область применения: химическая промышленность, нефтехимическая промышленность, машиностроение.
| Диаметр корпуса, мм | 100 | ||||||
| Класс точности | 1,5 | ||||||
| Диапазоны показаний температур, °С |
|
||||||
| Рабочая температура | Окружающая среда: −60…+60 °C | ||||||
| Длина погружной части, мм | 64, 100, 150, 200, 250, 300 мм (под заказ возможно изготовление погружной части длиной до 1600 мм) | ||||||
| Чувствительный элемент | Биметаллическая спираль | ||||||
| Шток | Нержавеющая сталь 08Х18Н10 | ||||||
| Корпус | IP65, нержавеющая сталь 08Х18Н10 | ||||||
| Кольцо | Нержавеющая сталь 08Х18Н10, байонетное | ||||||
| Циферблат | Алюминий, шкала черная на белом фоне | ||||||
| Стекло | Минеральное | ||||||
| Резьба присоединения (на штоке) | G½ или М20х1,5 | ||||||
| Комплектность | Без гильзы Опция: гильза из нержавеющей стали 08Х18Н10 |
||||||
| Рабочее давление, МПа | На штоке: 10 На гильзе из нержавеющей стали: 25 |
||||||
| Межповерочный интервал | 3 года | ||||||
| Климатическое исполнение | Группа Д2 по ГОСТ Р 52931; климатическое исполнение УХЛ категории 1.1 по ГОСТ 15150 |
||||||
| Техническая документация | ТУ 4211-001-4719015564-2008 |
Коррозионностойкие с возможностью гидрозаполнения силиконом (осевое присоединение)
| Тип | Диаметр корпуса | Класс точности | Диапазон показаний температуры, °C | |
|---|---|---|---|---|
| БТ-51.220 Силикон | 100 | 1,5 | −30…+50; 0…100 / 120 / 160 / 200 / 250 | |
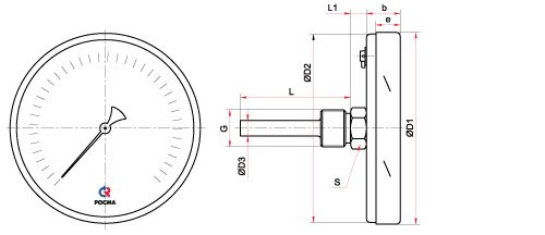
Чертежи
Основные размеры (мм), вес (кг)
| Ø | D1 | D2 | D3 | b | e | L | L1 | S | G | Вес | Объем жидкости, мл |
|---|---|---|---|---|---|---|---|---|---|---|---|
| 100 | 101 | 99 | 10 | 27 | 17 | 64, 100, 150, 200, 250, 300* | 12 | 22 | G½ или М20х1,5 | 0,3 | 95 |
*возможно изготовление погружной части длиной до 1600 мм для осевых БТ (с шагом 50 мм)
Монтаж и эксплуатация
В термометре БТ в качестве термоэлемента используется биметаллическая пружина, находящаяся в нижней части штока прибора. Погрешность измерения температуры минимальна, если конец защитной гильзы или штока термометра (для термометров без гильзы) погружен на глубину не менее ⅓ и не более ⅔ внутреннего диаметра трубопровода. Различная глубина погружения термоэлемента может быть достигнута выбором длины приварной бобышки или погружной части биметаллического термометра.
При монтаже прибора на трубопровод приваривается бобышка с внутренней резьбой. В бобышку вкручивается гильза термометра, а в гильзу устанавливается термометр. Термометр фиксируется в гильзе с помощью винта на шестиграннике гильзы.
При монтаже вращать прибор разрешается только за шестигранник гильзы или за шестигранник на штоке (для термометров без гильзы) с помощью гаечного ключа. Прикладывать усилие к корпусу прибора запрещается. Крутящий момент при монтаже не должен превышать 20 Н∙м.
Резьбовые соединения уплотнять лентой ФУМ (при температуре измеряемой среды до 200 °С); жгутом ФУМ (при температуре измеряемой среды до 250 °С); льняной подмоткой (при температуре измеряемой среды свыше 250 °С). Уплотнительная подмотка должна осуществляться в направлении, противоположном направлению вкручивания детали, чтобы при монтаже вкручиваемая деталь не срывала подмотку.
Прибор следует применять для измерения температуры только в среде, для которой он предназначен; не превышать диапазон измерений. Запрещается использовать растворители и абразивы для очистки стекол.
Прибор необходимо исключить из эксплуатации и сдать в ремонт в случае, если: прибор не работает; стрелка движется скачками; погрешность показаний превышает допустимое значение.
Карта заказа
| Тип | биметаллический термометр | |
| Диаметр корпуса, мм | 100 | 5 |
| Присоединение | осевое | 1 |
| Материал штока | нержавеющая сталь | 2 |
| Материал корпуса и кольца | нержавеющая сталь | 2 |
| Материал гильзы | без гильзы | 0 |
| Диапазон показаний температур, °C | −30…+50 | |
| 0…+100 / 120 / 160 / 200 / 250 | ||
| Резьба присоединения | G½; М20×1,5 | |
| Длина погружной части, мм | 64 / 100 / 150 / 200 / 250 / 300 | |
| Класс точности | 1,5 | |
| Гидрозаполнение | нет | под ГЗ |
| силикон | Силикон |
Пример обозначения:
БТ − 5 1. 2 2 0 (0–120 °C) G½. 64. 1,5 Силикон
| Бренд |
|---|


