ARCOM SP30/4, Энкодер инкрементальный
Прибор для преобразования угла поворота вращающегося объекта в электрические сигналы, позволяющие определить угол его положения
Цена: по запросу
Отправьте заявку
0
людей смотрят этот товар прямо сейчас
Прибор для преобразования угла поворота вращающегося объекта в электрические сигналы, позволяющие определить угол его положения
- Максимальная рабочая скорость: 5000 об/мин
- Количество импульсов на оборот: 50
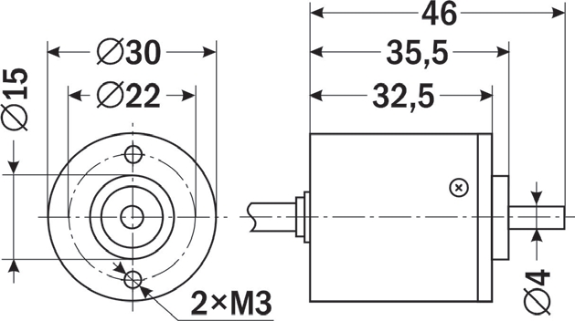
- Диаметр вала: 4 мм
- Диаметр корпуса: 30 мм
- Присоединение: кабель 2 м
- Защита: IP50
Форма выходного сигнала: BZ – двухтактный, прямоугольные импульсы со сдвигом по фазе на 90°, плюс нулевая метка
Особенности:
- Датчик на основе оптического элемента и металлического диска
- Компактный корпус
- Защита IP50
Технические характеристики
| Параметр | Значение | ||
| Количество импульсов на оборот | 50 | ||
| Максимальная рабочая скорость | 5000 об/мин | ||
| Форма выходной цепи | L, H | C, E, F | T |
| Потребление тока | 150 мА | 60 мА | 150 мА |
| Ток нагрузки | 20 мА | 30 мА | 20 мА |
| Напряжение лог. 1 | ≥ 2,5 В | ≥ Напряжение питания × 0,7 | |
| Напряжение лог. 0 | ≤ 0,5 В | ||
| Передний фронт/задний фронт | 100 нс | 1 мкс | 100 нс |
| Частота отклика | 150 кГц | ||
| Радиальная нагрузка | 30 Н | ||
| Осевая нагрузка | 20 Н | ||
| Начальный крутящий момент | 2×10−3 Н∙м | ||
| Максимальное допустимое ускорение | 1×104 рад/с2 | ||
| Ударное ускорение | 1000 м/с2 в течение 6 мс | ||
| Вибрационное ускорение | 1000 м/с2, 10…200 Гц | ||
| Питание | =5 В ± 5% | =5 В, =5…30 В, =8…30 В | |
| Условия эксплуатации | 20…50°С ≤ 85%RH |
||
| Присоединение | Кабель 2 м | ||
| Диаметр корпуса | 30 мм | ||
| Диаметр вала | 4 мм | ||
| Габаритные размеры | ∅ 30×46 мм | ||
Габаритные размеры
Вы можете купить инкрементальные энкодеры в Перми в компании БРИКО Автоматик.
Оставить заказ или получить консультацию можно любым способом, указанным в Контактах.
| Бренд |
|---|

