Анализатор параметров трехфазной сети щитовой Omix P99-MA-3
Анализатор параметров трехфазной сети щитовой Omix P99-MA-3 предназначен для измерения и индикации электрических параметров трехфазной сети переменного тока
Цена: по запросу
Отправьте заявку
0
людей смотрят этот товар прямо сейчас
Прибор для измерения и индикации электрических параметров трехфазной сети переменного тока
- Анализатор гармоник: до 31 включительно
- Диапазон измерения напряжения: ~0…650 В (прямое подключение), ~0…500 кВ (с трансформатором)
- Диапазон измерения силы тока: ~0…6 А (прямое подключение), ~0…500 кА (с трансформатором)
- Погрешность: ±(0,1% + 1 е.м.р.)
- Количество фаз: 3
- Интерфейс RS-485
- Max/min
- Госреестр № 64439-16
Особенности:
- Возможность подключения трансформаторов тока и напряжения
- Протокол TCP/IP (опция)
Технические характеристики
| Параметр | Значение | ||
| Прямое подключение | С трансформатором | ||
| Диапазон измерения | силы тока | 0…6 А | 0…500 кА |
| напряжения | 0…650 В | 0…500 кВ | |
| активной мощности | 0…100 ГВт | ||
| реактивной мощности | 0…100 ГВАр | ||
| полной мощности | 0…100 ГВА | ||
| частоты | 45…65 Гц | ||
| cos φ | −1…1 | ||
| активной энергии | 0…100 ТВт·ч | ||
| реактивной энергии | 0…100 ТВАр·ч | ||
| полной энергии | 0…100 ТВА·ч | ||
| Анализатор гармоник | до 31 включительно | ||
| Погрешность | ±(0,1% + 1 е.м.р.) | ||
| Индикатор | 2,8″ графический, 128×64 точки | ||
| Интерфейс | RS-485 | ||
| Потребляемая мощность | < 5 ВА | ||
| Питание | ∼85…260 В, 50…60 Гц, =110…300 В | ||
| Условия эксплуатации | Температура | −20…50°C | |
| Влажность | 0…90%RH | ||
| Габаритные размеры | 100×100×80 мм | ||
| Габаритные размеры врезного отверстия | 91×91 мм | ||
Габаритные размеры
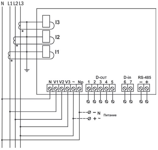
Схема подключения
| Бренд |
|---|


