AD30-4T1D5H/2D2L Компактный универсальный преобразователь частоты: 3-ф. 380В, 1.5 кВт AD30-4T1D5H/2D2L
Цена: по запросу
Отправьте заявку
0
людей смотрят этот товар прямо сейчас
Основные функции и характеристики
- Векторный / скалярный режимы управления
- Управление моментом / скоростью
- Пожарный режим
- Встроенный ПИД-регулятор со спящим режимом
- Функция качания частоты (вобуляция)
- Нормальный / легкий режимы
- Удобный монтаж на DIN-рейку до второго типоразмера включительно
- Встроенный интерфейс RS485 / Modbus
- Встроенный дискретный потенциометр
- Опциональный выносной пульт с возможностью копирования параметров
- Встроенный тормозной модуль
- Встроенный фильтр ЭМС
- 3 года гарантии
Таблица параметров модели AD30-4T1D5H/2D2L
| Характеристика | Значение |
| Напряжение питания, В | 380 |
| Номинальная мощность двигателя (тяжелый режим), кВт | 1.5 |
| Номинальная мощность двигателя (легкий режим), кВт | 2.2 |
| Номинальный выходной ток (тяжелый режим), А | 5.1 |
| Номинальный выходной ток (легкий режим), А | 3.8 |
| Максимальная выходная частота, Гц | 1200 |
| Максимальный ток двигателя (в течении 1 мин) в легком режиме, А | 7.65 |
| Максимальный ток двигателя (в течении 1 мин) в тяжелом режиме, А | 5.7 |
| Количество дискретных входов/выходов, шт. | 4/1+1 реле |
| Количество аналогов входов, шт. | 1 |
| Количество аналогов выходов, шт. | 1 |
| Типы аналоговых сигналов входа/выхода | 0-10В, 4-20 мА |
| Наличие векторного режима | Да |
| Встроенный тормозной модуль | Да |
| Возможность подключения энкодера | Нет |
| Фильтр ЭМС | Да |
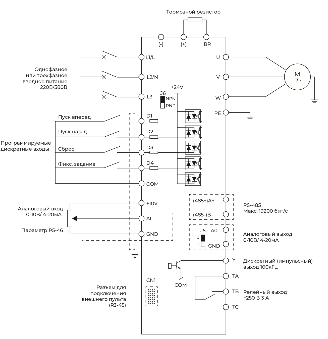
Схема подключения
Компания Оптимус Драйв представляет серию преобразователей частоты AD30 ̶ универсальные и надежные преобразователи частоты для точного управления асинхронными двигателями.
| Бренд | |
|---|---|
| Номин. выходной ток, А | |
| Напряжение питания, В |
380 |
| Макс. частота на выходе, Гц | |
| Аналоговые входы | |
| Аналоговые выходы |


