РНПП-311 Реле напряжения, перекоса и последовательности фаз
Предназначено для защиты трехфазных потребителей от основных видов аварии в электрической сети
Цена: по запросу
Реле напряжения РНПП-311 предназначено для защиты трехфазных потребителей от основных видов аварий в электрической сети, таких как:
- выход действующего значения напряжения за пределы допустимых порогов;
- нарушение последовательности и слипание фаз;
- нарушение полнофазности и симметричности сетевого напряжения.
Устройство контролирует основные параметры электрической сети и при их отклонении отключает нагрузку.
Светодиоды на лицевой панели реле индицируют:
- наличие напряжения на каждой фазе;
- аварийное отключение нагрузки.
Установка порога срабатывания по минимально/максимально допустимому значению напряжения совмещена и выполняется регулировочным потенциометром в процентах от номинального напряжения.
Включение нагрузки РНПП-311 производит автоматически по истечении времени АПВ (автоматического повторного включения) с момента восстановления параметров электрической сети. Выпускаются устройства со стандартным временем АПВ 5 секунд, однако под заказ потребителя возможен выпуск изделий со временем АПВ 0, 10, 60, 100, 150, 200 и 250 секунд.
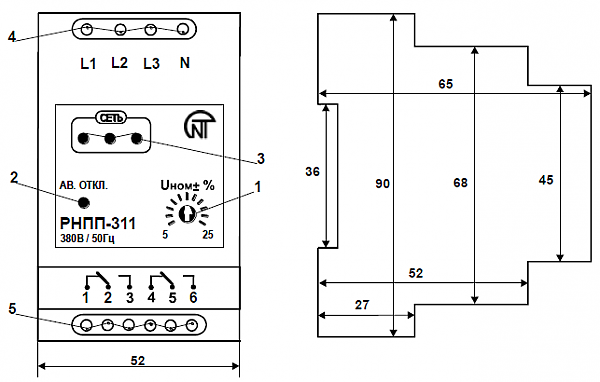
1 – Регулировка срабатывания по Umax / Umin; 4 – Входные контакты;
2 – Красный светодиод «авария»; 5 – Выходные контакты.
3 – Три зелёных светодиода, наличие напряжения на каждой фазе;
ТЕХНИЧЕСКИЕ ХАРАКТЕРИСТИКИ
Номинальное напряжение, В — 380
Частота сети, Гц — 45 — 55
Диапазон регулирования:
-срабатывания по Umах/ Umin, % от ном. — 5 — 25
Фиксированная задержка срабатывания по Umin, с — 12
Величина амплитудного перекоса фаз, В — 60
Фиксированное время срабатывания по Umах, с — 1,5 (0,1– как опция)
Фиксированное время срабатывания при обрыве одной из фаз, с 1,5 (0,1– как опция)
Время автоматического повторного включения после восстановления параметров U, с — 5 (0, 10, 60, 100, 150, 200, 250 – под заказ)
Напряжение катушки пускателя, В, переменного — 110 – 380
Напряжение катушки пускателя, В, постоянного — 12 – 36
Точность определения порога срабатывания по U, В — до 3
Напряжение, при котором сохраняется работоспособность, В — 80 — 500
Кратковременно допустимое максимальное напряжение, при котором сохраняется работоспособность, В — 700
Диапазон рабочих температур, ºС — от минус 25 до + 40
Температура хранения, ºС — от минус 45 до + 70
Суммарный ток потребления от сети, мА — до 35
Климатическое исполнение — УХЛ 4
Коммутационный ресурс под нагрузкой 5 А, раз — 100 000, не менее
Вредные вещества, в количестве превышающие предельно допустимые концентрации, отсутствуют.
Реле подключается параллельно нагрузке согласно приведенной ниже схеме
| Бренд |
|---|


