МУ110-224.16Р Модуль дискретного вывода
Модули предназначены для управления по сигналам из сети RS-485 встроенными дискретными выходными элементами (ВЭ), используемыми для подключения исполнительных механизмов с дискретным управлением.
Цена: по запросу
|
Коммуникационные возможности |
|
|
Интерфейс |
RS-485 |
|
Поддерживаемые протоколы |
Modbus RTU Modbus ASCII ОВЕН DCON |
|
Скорость обмена по RS-485 |
2400…115200 бит/с |
Особенности
- Встроенные выходы могут работать в режиме генерации ШИМ-сигналов до 1 Гц
- Диагностика обрыва интерфейсной линии и перевод выходов в безопасное состояние, определенное пользователем
- Автоматическое определение протокола (кроме МУ110-32Р)
- Съемные клеммники с невыпадающими винтами
- Обновление встроенного программного обеспечения по RS-485
- Поддержка облачного сервиса OwenCloud (при использовании сетевого шлюза ПМ210)
Конфигурирование
Конфигурирование модулей Мx110 осуществляется на ПК через адаптер интерфейса RS-485/RS-232 или RS-485/USB (например, ОВЕН АСЗ-М или ОВЕН АС4, соответственно) с помощью программы «Конфигуратор М110», входящей в комплект поставки.
Технические характеристики
| Модификация | МУ110-224.8К | МУ110-224.16К | МУ110-224.8Р | МУ110-224.16Р | МУ110-24/220.32Р |
|
|
![]() |
![]() |
![]() |
![]() |
![]() |
|
Выходы |
|||||
|
Количество выходов |
8 DO |
16 DO |
8 DO |
16 DO |
32 DO |
|
Тип выходов |
транзисторная оптопара n-p-n типа |
электромагнитное реле |
|||
|
Характеристики дискретных выходов (DO) |
|||||
|
Максимальная нагрузочная способность дискретных выходов |
400 мА (при постоянном напряжении не более =60 В) |
4 А (при переменном напряжении не более ~250 В 50 Гц и cos φ>0,4) 4 А (при постоянном напряжении не более =24 В) |
3 А (при переменном напряжении не более ~250 В 50 Гц и cos φ>0,4) 3 А (при постоянном напряжении не более =30 В) |
||
|
Питание |
|||||
|
Тип питания |
универсальное ~230 В/=24 В |
зависит от модификации |
|||
|
Напряжение питания |
переменное: ~90…264 В (номинальное ~230 В) частотой 47…63 Гц или постоянное: =18…30 В (номинальное =24 В) |
МУ110-220.32Р: ~90…264 В (номинальное ~230 В) частотой 47…63 Гц МУ110-24.32Р: =18…30 В (номинальное =24 В) |
|||
|
Потребляемая мощность |
не более 6 ВА |
не более 12 ВА |
не более 6 ВА |
не более 12 ВА |
не более 25 ВА |
|
Конструктивное исполнение |
|||||
|
Габаритные размеры |
(63×110×75) ±1 мм |
(140×114×75) ±1 мм |
|||
|
Степень защиты |
IP20 |
||||
|
Монтаж |
на DIN-рейку / на стену |
||||
|
Условия эксплуатации |
|||||
|
Температура окружающего воздуха |
-10…+55 °С |
||||
|
Относительная влажность воздуха (при +25 °С и ниже без конденсации влаги) |
не более 80 % |
||||
|
Комплектность |
|||||
|
Модуль |
1 шт. |
||||
|
Паспорт / Гарантийный талон |
1 экз. |
||||
|
Краткое руководство по эксплуатации |
1 экз. |
||||
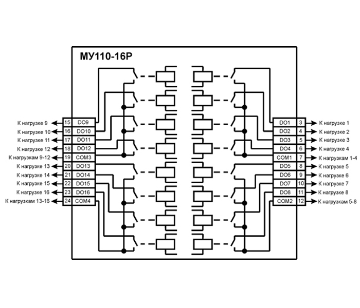
Схемы подключения
| МУ110-Х.8К | ![]() |
| МУ110-Х.8Р | ![]() |
| МУ110-Х.16К | ![]() |
| МУ110-Х.16Р | ![]() |
| МУ110-Х.32Р | ![]() |
Схема подключения к выходным элементам типа электромагнитное реле
| МУ110-224.8Р | ![]() |
| МУ110-224.8К | ![]() |
| МУ110-224.16К | ![]() |
| МУ110-224.16Р | ![]() |
| МУ110-24/220.32Р | ![]() |















