Конечный выключатель CWLNJ-2 (IP66, НО+НЗ)
Выключатель конечный CWLNJ-2 со срабатыванием на отклонение в сторону, с пружинным штоком, на конце диэлектрик
- Контакт: HО+НЗ
- Материал корпуса: металл
- Защита: IP66
Цена: по запросу
Отправьте заявку
0
людей смотрят этот товар прямо сейчас
Конечный выключатель с пружинным штоком и диэлектриком на конце
- Срабатывание на отклонение в сторону
- Быстродействие: 1…2000 мм/с
- Длина штока: 105 мм
- Реле: ~5 А, 250 В
- Контакт: HО+НЗ
- Материал корпуса: металл
- Защита: IP66
Технические характеристики
| Параметр | Значение |
| Быстродействие | 1…2000 мм/с |
| Реле | ~5 А, 250 В |
| Контакт | НО+НЗ |
| Рабочая частота | Механическая 120 опер./мин Электрическая 30 опер./мин |
| Износостойкость | Механическая 15 млн срабатываний Электрическая 0,5 млн срабатываний |
| Условия эксплуатации | −10…80°C ≤ 95%RH |
| Степень защиты | IP66 |
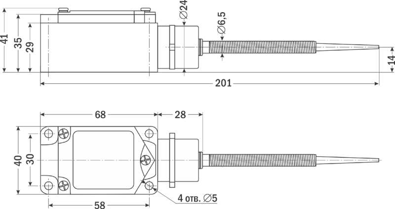
| Габаритные размеры | 41×201×40 мм |
| Длина штока | 105 мм |
| Вес | 212 г |
Габаритные размеры
Схема подключения
Купить конечный выключатель CWLNJ-2 можно в Перми в компании «Брико Автоматик».
| Бренд |
|---|


